ESHF11018轉速傳感器-金屬法蘭型-單耳結構-圓柱形探頭(L=18.4mm,D=10.22mm)
金屬|法蘭型|單耳結構-ESHF11018霍爾式轉速傳感器,應用霍爾效應原理檢測齒輪等導磁金屬的轉速,脈沖頻率與齒輪旋轉速度成正比。 頻率范圍:0~20K,輸出信號:PNP、NPN、推挽。
金屬|法蘭型|單耳結構-ESHF11018霍爾式轉速傳感器,應用霍爾效應原理檢測齒輪等導磁金屬的轉速,脈沖頻率與齒輪旋轉速度成正比。 頻率范圍:0~20K,輸出信號:PNP、NPN、推挽。
ESHF11018霍爾式轉速傳感器,應用霍爾效應原理檢測齒輪等導磁金屬的轉速,當有導磁金屬接近探頭時,探頭內部永磁體的磁通密度發生變化,并被霍爾IC檢測到,通過后端集成電路轉為脈沖輸出,脈沖頻率與齒輪旋轉速度成正比。 采用非接觸式測量方式,能夠精確測量轉速。具有頻率 范圍廣、響應速度快、機械壽命長、穩定、堅固耐用等特點。
特點
■ 精準、可靠、重復性高
■ 工作溫度范圍廣
■ 工作頻率范圍廣
■ 頻率范圍:0~20KHz
■ 測量面抗壓能力:10bar
應用場景
■ 齒輪的轉速檢測
■ 可用于車輛、工程機械及電動和液壓 馬達(軸向活塞泵和馬達)
行業
■ 液壓傳動
■ 車輛
■ 機械設備
性能參數

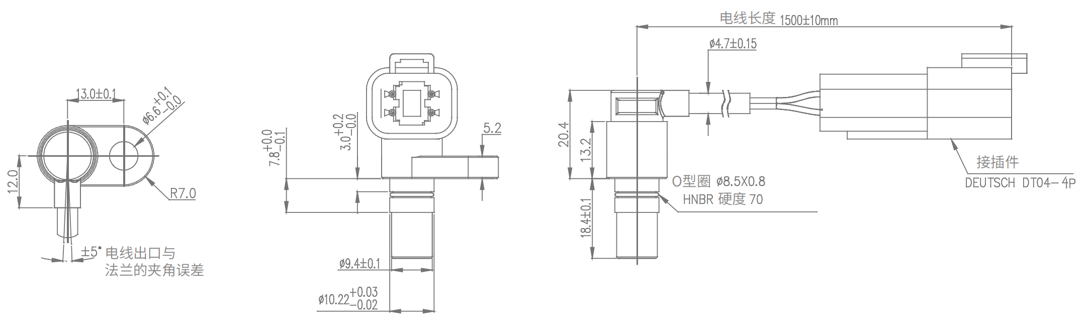
機械尺寸

使用說明

連接方式
